KSB Etabloc Centrifugal Closed-coupled Pump

SKU: KSB Etabloc 050-032-160

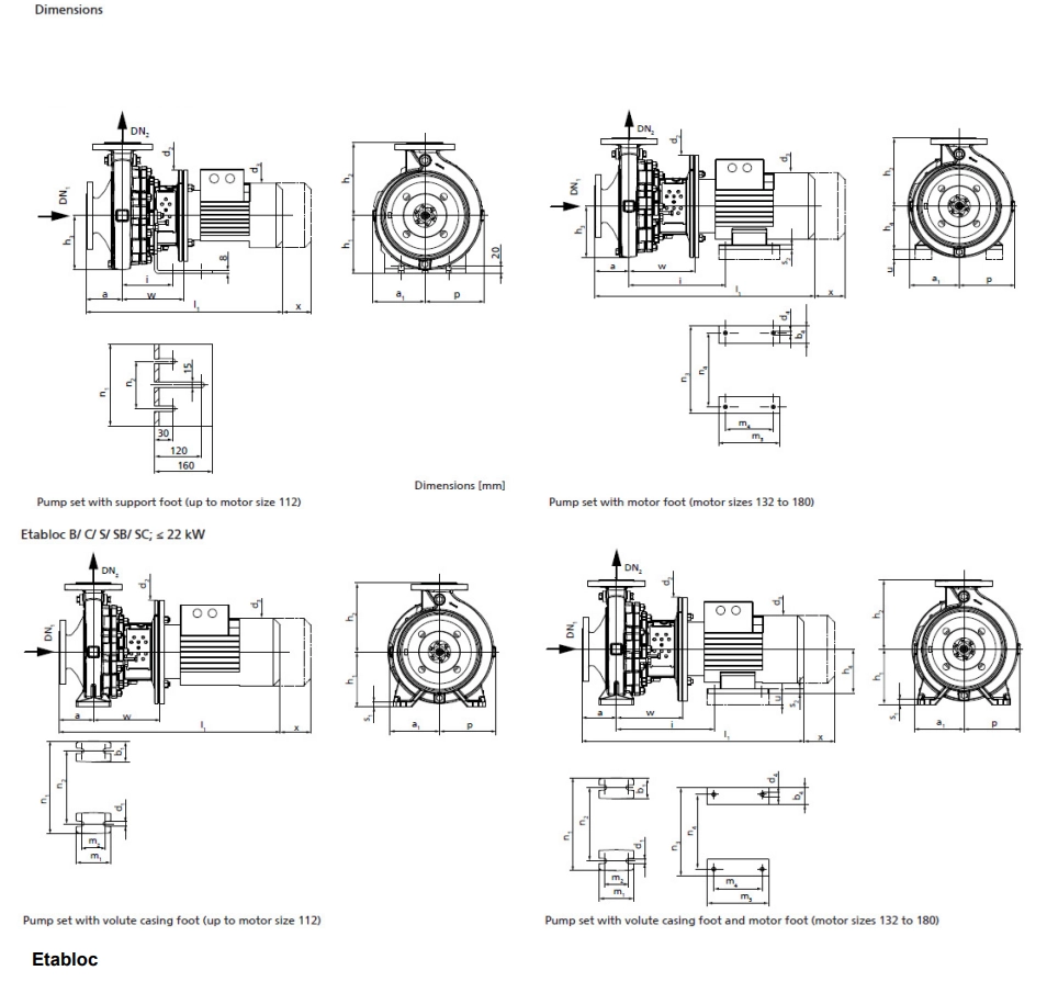
Bơm ly tâm KSB Etabloc 050-032-160, một sản phẩm thuộc dòng bơm Etabloc của KSB, được thiết kế theo tiêu chuẩn EN 733, phù hợp cho các ứng dụng công nghiệp và dân dụng như cấp nước, xử lý nước, hệ thống HVAC và công nghiệp hóa chất nhẹ.

Chia sẻ:

Thông số kỹ thuật chính

  • Lưu lượng danh định: 8,5 m³/h

  • Cột áp danh định: 9 m

  • Áp suất làm việc tối đa: 16 bar

  • Nhiệt độ chất lỏng: 0 – 60°C

  • Tốc độ quay: 1.500 vòng/phút

  • Đường kính đầu hút/xả: DN 50 / DN 32

  • Hiệu suất thủy lực: 54,1%

  • NPSH yêu cầu: 2,09 m

  • Trọng lượng tổng: 40 kgHOS BV+3Abacus Resale+3Scribd+3Merito Comercial+9KSB+9KSB+9


⚙️ Động cơ và truyền động

  • Công suất định mức: 0,55 kW

  • Điện áp: 400 V, 50 Hz

  • Hiệu suất động cơ: 88,3% (IE5 – Ultra Premium)

  • Dòng điện định mức: 1,3 A

  • Kiểu lắp đặt: IM V1 (thẳng đứng)

  • Cấp bảo vệ: IP55

  • Cảm biến nhiệt: 3 PTC thermistorsKSBKSB+3Abacus Resale+3KSB+3